اینورترهای نئو NEO با طراحی مدرن ,کیفیت بالا و قیمت اقتصادی, گزینه ای ایده آل برای کنترل سرعت موتورهای القایی در صنایع گوناگون هستند.
استفاده از درایو نئو نه تنها موجب کاهش مصرف انرژی و افزایش طول عمر موتور می شود بلکه کنترل دقیق تری در فرآیندهای صنعتی ایجاد می کند.
راه اندازی نرم و توقف کنترل شده موتور
کاهش چشمگیر مصرف برق در صنایع گوناگون
پشتیبانی از انواع مدهای کنترلی
محافظت در برابر اضافه بار , اتصال کوتاه و نوسان ولتاژ
قابلیت اتصال به PLC و HMI و سایر محصولات اتوماسیون صنعتی
نصب آسان, تنظیم سریع و راهنمای کاربر پسند
صنایع غذایی: اکسترودر, میکسر, نوار نقاله و پمپCIP
تهویه و HVAC: کنترل فن , هواساز و برج خنک کننده
صنایع آب و فاضلاب: کنترل پمپ های فشار بالا و بوستر پمپ ها
اتوماسیون کارخانه ها: خطوط تولید, نوار نقاله و ماشین آلات CNC
پتروشیمی و نفت: درایو تجهیزت انتقال مواد و پمپ های صنعتی
نماینده رسمی و تخصصی اینورتر NEO
تیم مشاوره فنی با سابقه در پروژه های اتوماسیون
پشتیبانی کامل فنی و نرم افزاری پس از فروش
آموزش نصب و تنظیم رایگان در صورت نیاز
ارسال به سراسر کشور در کمترین زمان ممکن
برای مشاوره رایگان , خرید و کسب اطلاعات فنی با شماره های زیر تماس بگیرید:
021-66562723
021-66578244
09124018544
بخشهای اصلی تنظیمات
نصب فیزیکی:
محل نصب باید خشک، بدون گرد و غبار و با تهویه مناسب باشد.
دستگاه را بهصورت عمودی نصب کنید تا از نفوذ رطوبت جلوگیری شود.
اطمینان حاصل کنید که فاصله کافی برای گردش هوا و دسترسی به دربها وجود دارد.
--------------------------
تنظیمات PID:
پارامترهای PID برای کنترل دقیق سرعت و گشتاور موتور استفاده میشوند.
تنظیمات شامل:
KP (Proportional): کنترل پاسخ سریع
TI (Integral): کاهش خطای بلندمدت
TD (Derivative): کاهش نوسانات سیستم
مثال: برای یک موتور پمپ با بار متغیر، تنظیم دقیق KP و TI موجب عملکرد روان و کاهش لرزش میشود.
----------------------------
انتخاب ورودی و خروجی:
اینورترهای NEO از ورودیهای آنالوگ (VI, CI) و دیجیتال (Pulse) پشتیبانی میکنند.
برای کاربردهای مختلف، ورودی و خروجی مناسب را انتخاب کنید تا عملکرد دستگاه بهینه شود.
> نکته: ورودی آنالوگ برای کنترل سرعت پیوسته و ورودی دیجیتال برای کنترل چندمرحلهای مناسب است.
------------------------------
عیبیابی و رفع اشکال:
خطاهای رایج شامل E-01 (Overcurrent) و E-02 (Overvoltage) هستند.
راهحلها: بررسی سیمکشی، کاهش بار، و تنظیم مجدد پارامترها.
نگهداری دورهای مانند تمیز کردن فنها و بررسی اتصالات موجب جلوگیری از خطاهای رایج میشود.
قبل از همه چیز باید به این نکته توجه کرد که درایو های تکفاز به سه فاز، شامل یک ورودی 220 ولت می باشند
و دارای سه خروجی 220 ولت می باشند که به اشتباه در بازار گفته می شود دارای خروجی 380 ولت هستند
که باعث اشتباه بسیاری از خریداران می گردد.
حتما باید سربندی الکتروموتور روی حالت 220 ولت مثلث قرار بگیرد و اینکه الکتروموتور این قابلیت را داشته باشد.
پلاک الکتروموتور ی که اینورتر می خواهد روی آن نصب شود حتما باید خوانده شود و مورد بررسی قرار بگیرد.
برق مجموعه ایی که اینورتر تکفاز به سه فاز می خواهد درآن قرار بگیرد از جهت بررسی آمپر جریان حتما بازدید شود.
اگر در زمان نصب اینورتر نئو NEO خود دچار مشکل شده اید تیم فنی فرآیند سیستم آماده پاسخگویی به سوالات شماست
برای دریافت مشاوره رایگان با ما تماس بگیرید.
021-66562723
021-66578244
09124018544
ساختار داخلی و اجزای اصلی اینورتر نئو NEO
اینورتر NEO از جمله درایوهای صنعتی پیشرفته برای کنترل موتورهای AC است که با طراحی دقیق و ماژولار
در پروژه های اتوماسیون صنعتی, خطوط تولید, سیستم های تهویه و صنایع دارویی و غذایی و پتروشیمی کاربرد وسیعی دارد.
در این صفحه با ساختار داخلی اینورتر نئو و اجزای کلیدی آن آشنا می شوید.
اجزای اصلی اینورتر نئو NEO:
1- ماژول IGBT
واحد کلیدی در سوئیچینگ جریان خروجی نقش مهمی در تولید فرکانس متغیر برای کنترل سرعت موتور ایفا می کند.
2- پل دیود ورودی
برق AC ورودی را به برق DC تبدیل می کند.
3- مدار D-LINK
حالت پایدار برای ولتاژ DC فراهم کرده و نویزهای الکتریکی را فیلتر می کند.
4- واحد کنترل
قلب فرمان دهنده اینورتر است که با محاسبت دقیق, خروجی مناسب را با توجه به مد تنظیم شده V/F یا
Sensorless Vector تولید می کند.
5- ترمینال های ورودی /خروجی آنالوگ و دیجیتال
برای اتصال فرمان های خارجی مانند استارت , استاپ, PLC , ...
6- رابط کاربری (Keypad)
دارای نمایشگر دیجیتال و دکمه های کنترل برای تنظیم پارامترها و مشاهده وضعیت عملکرد
7- فن خنک کننده و سنسور حرارت
برای تهویه و جلوگیری از داغ شدن بیش از حد ماژول قدرت
چرا آشنایی با ساختار اینورتر مهم است؟
نصب و راه اندازی سریع
عیب یابی ساده تر
انتخاب بهتر با توجه به نوع کاربرد صنعتی
نگهداری و تعمیر دقیق و کم هزینه تر
خدمات فنی ویژه فرآیند سیستم:
مشاوره رایگان تخصصی انتخاب اینورتر
آموزش نصب و راه اندازی
رفع خطا و عیب یابی حضوری یا از راه دور

جهت دسترسی به کاربردهای مدل های مختلف اینورتر نئو در صنایع متفاوت لینک زیر را مشاهده نمایید.
با گسترش روز افزون کاربرد درایوهای ماشین AC (اینورتر) شرکت های گوناگون الکترونیکی اقدام به ساخت این درایو ها کرده اند
امروزه با گسترش و تخصصی تر شدن کاربردها، اینورتر ها هم تخصصی شده و جهت کابردهای خاص همچون آسانسور ها، پمپ ها ، جهت کنترل
گشتاور، سرعت، موقعیت و یا ترکیب آنها اینورتر های خاص تولید می گردد.
با بررسی کاربردهای اینورتر در صنایع مختلف این امکان فراهم می شود بر اساس نوع کار، اینورتر با کارایی مناسب و صرفه اقتصادی انتخاب گردد.
ماشین سازی صنایع غذایی
اگر در صنعت غذایی فعالیت دارید و به دنبال یک اینورتر قدرتمند, دقیق و قابل اعتماد هستید اینورترهای برند نئو NEO انتخابی ایده ال برای شما هستند.
ما به عنوان نمایندگی اینورترهای نئو انواع مدل ها را با گارانتی, قیمت رقابتی و مشاوره تخصصی ارائه می دهیم.
ویژگی های کلیدی اینورتر نئو در صنایع غذایی:
فن و پمپ (Fan & Pump)
اصلی ترین کاربرد درایوهای AC، به گردش درآوردن فنها و پمپهای گریز از مرکز است.
استفاده از درایوهای AC در این کاربرد، حدود %40-30 از مصارف جهانی درایوهای AC را به خود اختصاص میدهد.
در کاربردهایی مانند فن های تهویه صنعتی, پمپ های ابرسانی, پمپ دوزینگ و بوستر پمپ ها, کنترل دقیق سرعت و کاهش مصرف انرژی اهمیت زیادی دارد.
اینورترهای برند نئو NEO با طراحی ویژه برای فن و پمپ های صنعتی راه حل حرفه ای , اقتصادی و با دوام ارائه می دهند.
ویژگی های کلیدی اینورتر نئو در کاربرد فن و پمپ:
کاربردها:
اینورتر برای پمپ های آب کشاورزی و صنعتی
اینورتر برای فن های سانتریفیوژ, اکسیال و هود صنعتی
کنترل پمپ های دوزینگ در صنایع غذایی و دارویی
بوستر پمپ های مجتمع های مسکونس و کارخانه ای
سیستم های تهویه مطبوع
اینورتر نئو مناسب جهت کاربرد فن و پمپ سری NE90 می باشد. جهت مشاهده دفترچه راهنمای فنی اینورتر نئو به قسمت دانلود مراجعه نمایید.
نوار نقاله (Conveyor)
کاربرد دیگر درایوهای AC، کنترل سرعت نوار نقالهها است.
استفاده از درایو در این کاربرد به علت نیازمندی ما به آرام روشن و خاموش کردن نوار نقاله، بسیار مهم است. به آرامی روشن و خاموش کردن نوار نقاله،
با کنترل و افزایش زمان رسیدن به سرعت مطلوب اتفاق میافتد و با این کار از ریختن یا افتادن محصولات از روی نوار نقاله جلوگیری میکنیم.
همچنین مواقعی که از چندین موتور استفاده میشود، میتوانیم بار و توان را بین موتورها تقسیم کرده و سرعت موتورها را هماهنگ کنیم.
اینورتر نئو مناسب جهت کاربرد نوار نقاله سری NE300 می باشد. جهت مشاهده دفترچه راهنمای فنی اینورتر نئو به قسمت دانلود مراجعه نمایید.
اکسترودر (Extruder)
اکسترودر، دستگاهی ست که مواد را تحت فشار زیاد قرار داده و به محصول ما، شکل خاصی را میدهد.
از درایو AC برای کنترل موتوری که در اکسترودرها به منظور بریدن قطعات با فشار زیاد است، استفاده میشود.
مواد مختلف ممکن است به میزان فشارهای متفاوتی برای بریده و ذوب شدن نیاز داشته باشند.
موادی که میتوانیم آنها را اکسترود کرده و از قالب درآوریم عبارتند از فلز، پلیمر، سرامیک، بتن ، مواد غذایی و ....
اینورتر نئو مناسب جهت کاربرد اکسترودر سری NE900 می باشد. جهت مشاهده دفترچه راهنمای فنی اینورتر نئو به قسمت دانلود مراجعه نمایید.
کمپرسور (Compressor)
درایوهای AC این قابلیت را دارند که گشتاور بالایی که برای روشن شدن وسایلی مانند کمپرسورها لازم است را تولید کنند.
یک کمپرسور مانند پمپ عمل کرده و یک گاز مانند هوا را از طریق یک لوله در درون یک تانک به حرکت در می آورد.
سپس میتوانیم در کارهایمان گاز تحت فشار را با سرعت و فشار بالا استفاده کنیم.
اینورتر نئو مناسب جهت کاربرد کمپرسور سری NE900 می باشد. جهت مشاهده دفترچه راهنمای فنی اینورتر نئو به قسمت دانلود مراجعه نمایید.
نوارجمع کن و نوار پیچ (Unwinder and Winder)
کاربردهایی که به پیچاندن و بریدن کاغذ و مواد دیگر مربوط شده و این کار پیدرپی انجام میشود از مهمترین کاربردهای درایوهای AC هستند.
چاپگرهای لیبلزن و برچسبزن ها، قرص کاغذی سفیدی را باز کرده، سپس کاغذ را با پرینتر برچسب زده و در مرحله آخر کاغذ را با استفاده از یک بریدگی از یکدیگر جدا میکنیم.
همهی این کارها بایستی با دقت انجام شده و برگهها دقیقا از جایی که لیبل تمام شده و لیبل بعدی زده شده است باید جدا شوند.
درایوهای AC باید سرعت چرخش موتورهای هر دو رول کاغذ را کنترل کرده و با هم هماهنگ کند.
اینورتر نئو مناسب جهت کاربرد جمع کن سری NE900 می باشد. جهت مشاهده دفترچه راهنمای فنی اینورتر نئو به قسمت دانلود مراجعه نمایید.
مخلوط کن (Mixer)
از دایوهای AC برای کاربردهایی که نیاز به مخلوط کردن و ترکیب مواد و عناصر مختلفی با یکدیگر هست، استفاده میشود.
در برخی موارد، مدت زمانی که باید میکس کردن به طول انجامد و غلظت موادی که استفاده میشود، تاثیر زیادی در کیفیت محول نهایی دارد.
در برخی کاربردها از تولید محصولات غذایی گرفته تا ساخت بتن، همزدن مواد با سرعت خیلی پایین یا خیلی زیاد ممکن است ما را به محصول دلخواهمان نرساند.
در همهی این موارد درایوهای AC بسیار کمککننده هستند.
موتورهای AC قدرتمند را میتوانیم با درایوهای AC کنترل کرده و به سرعت مطلوب و زمان مطلوب برای مخلوط کردن دست یابیم و محصولاتی با کیفیت
مناسب تولید کنیم.
اینورتر نئو مناسب جهت کاربرد میکسر سری NE900, NE9000 می باشد. جهت مشاهده دفترچه راهنمای فنی اینورتر نئو به قسمت دانلود مراجعه نمایید.
سانتریفیوژ (Centrifuge)
از درایوهای AC در سانتریفیوژها نیز استفاده میشود. با استفاده از سانتریفیوژها ذرات ریز مواد مختلف از یکدیگر جدا میشوند.
مواد به دور یک محور ثابت میچرخند و به واسطهی نیروی عمودیای که از طرف محور به مواد وارد میشود، به ذرات کوچک تقسیم شده و کاملاً از هم جدا میشوند.
یک مثال ساده از کاربرد سانتریفیوژها به ماشین لباسشویی میتوان اشاره کرد. وقتی که لباسها با سرعت زیاد به چرخش در میآیند، آب از طریق سوراخهای جانبی
وارد شده و با سرعت بالا، لباسها را آبکشی میکنند.
اساس کار سانتریفیوژها این است که مواد را به ذرات سبکتر تقسیم میکنند. با قرار دادن مواد در زوایای مشخص و به گردش درآوردن آنها حول محور ثابت، نیروی سانتریفیوژ
باعث میشود که ذرات متراکمتر به قسمت انتهایی رفته (شعاع بیشتر و فاصله بیشتر از محور) و ذرات سبکتر و رقیقتر به انتهای دیگر بروند.
درایوهای AC بهترین وسیله برای کنترل کردن سرعت موتور سانتریفیوژها هستند.
اینورتر نئو مناسب جهت کاربرد سانتریفیوژ سری NE300 می باشد. جهت مشاهده دفترچه راهنمای فنی اینورتر نئو به قسمت دانلود مراجعه نمایید.
جرثقیل و بالابر (Crane and Hoist)
جرثقیل دستگاهی است که با استفاده از کابل، طنابهای قطور و زنجیر به منظور لیفت کردن وسایل استفاده میشود.
جرثقیلها از ابزاری به نام لیفت استفاده میکنند که با باز و بسته کردن کابل حول درام (محوری استوانهای شکل)
میتوان از جرثقیل برای بلند کردن و انتقال اجسام استفاده کرد. با چرخاندن کابل حول درام میتوان اجسام
را لیفت کرده (بلند کرده) و با چرخاندن در جهت عکس، اجسام را رها کرده و پایین گذاشت.
درایوهای AC، این امکان را به جرثقیلها و لیفترها میدهد که از موتورهای AC به منظور رسیدن به مطلوبشان استفاده کنند.
اینورتر نئو مناسب جهت کاربرد بالابر سری NE9000 می باشد. جهت مشاهده دفترچه راهنمای فنی اینورتر نئو به قسمت دانلود مراجعه نمایید.
موتور گیربکس صنعتی(Gearbox Engine)
موتور های گیربکس دار می تواند با کاهش دور موتور و همچنین سرعت موتور و تبدیل کردن آن به قدرت یک سیستم انتقال و تغییر توان قدرت موتور را ایجاد کند .
بدین معناست که الکتروگیربکس با کاهش دور موتور ، گشتاور آن را افزایش دهد.
الکتروگیربکس را مهم ترین عامل نیروی جنبشی و حرکت در صنعت الکتروموتورها دانست که از آن در جهت انتقال توان مکانیکی از یک ذخیره تولید توان به مصرف کننده
و نیز برآورد ساختن گشتاور و سرعت مورد نیاز استفاده می شود. از آنجایی که الکتروموتور گیربکس دار به عنوان یک رابط بین ذخیره و منبع توان
و مصرف کننده آن عمل می کند لذا باید انعطاف پذیری مورد نیاز بین این دو فرآیند را به وجود آورد.
اینورتر نئو مناسب جهت کاربرد موتور گیربکس صنعتی سری NE900 می باشد. جهت مشاهده دفترچه راهنمای فنی اینورتر نئو به قسمت دانلود مراجعه نمایید.
چرا مشتریان ما اینورتر نئو را انتخاب می کنند؟
قبل از خرید با مشاوران فنی ما تماس بگیرید تا بر اساس نوع دستگاه بهترین مدل اینورتر نئو را به شما معرفی کنیم
تیم ما آماده است اینورتر نئو را در محل کارخانه نصب و راه اندازی کند. همچنین آموزش کار با منوی پارامترها نیز به صورت رایگان ارائه می شود.
جهت مشاهده ی بیشتر کاربرد اینورتر در صنایع مختلف به صفحه اینستاگرام فرآیند سیستم (Farayand_System) مراجعه نمایید.
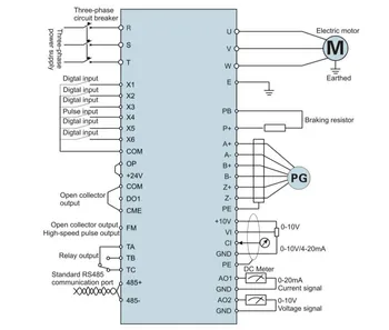
کارکرد و مشخصات ترمینال های اینورتر نئو سری NE300
این اینورتر دارای دو ورودی آنالوگ V1 و C1 است که قابلیت دریافت سیگنالهای 0–10V و 4–20mA را دارند.
دقت ورودی 0.001 بوده و میتوان با جامپر JP3 نوع ورودی را انتخاب کرد.
-------------------------------
اینورتر NE300 دارای دو خروجی آنالوگ (AO1 و AO2) است که میتوانند ولتاژ (0–10V) یا جریان (4–20mA)
ارائه دهند. این خروجیها برای مانیتورینگ سرعت موتور یا جریان خروجی بسیار کاربردی هستند.
----------------------------
بله، ترمینالهای دیجیتال (DO و X2 تا X6) قابل برنامهریزی هستند و میتوانند برای فرمانهایی مانند
چپگرد، راستگرد، استارت و توقف یا سیگنال هشدار استفاده شوند.
---------------------------
پورت RS-485 برای اتصال به شبکههای صنعتی و پروتکل Modbus طراحی شده و امکان مانیتورینگ و
کنترل از راه دور اینورتر را فراهم میکند.
----------------------------
بله، این اینورتر دارای یک منبع تغذیه داخلی 24 ولت DC با حداکثر جریان 50mA است که برای تغذیه
سنسورها و فرمانهای خارجی استفاده میشود.
------------------------------
ترمینالهای COM و GND در NE300 ایزوله هستند. COM برای ورودی/خروجیهای دیجیتال استفاده
میشود و GND مربوط به سیگنالهای آنالوگ است.
----------------------------
| نوع | ترمینال | توضیح | کارکرد |
| پورت ارتباطی | RS485+ | پورت RS485 | ترمینال RS-485+ |
| RS485- | ترمینال RS-485- | ||
ترمینال خروجی پالس | DO | ترمینال خروجی پالس Open-Collector | قابل برنامه نویسی با P4-21 و P4-22 (ترمینال مشترک: COM) ماکزیمم فرکانس خروجی 20Khz |
ورودی آنالوگ |
V1 | ترمینال ورودی آنالوگ | ورودی 0 تا 10V دقت 0.001 ترمینال مشترک: GND |
C1 | ترمینال ورودی آنالوگ | ورودی آنالوگ ولتاژ یا جریان ولتاژ 0 تا 10V جریان 4 تا 20mA دقت 0.001 ترمینال مشترک GND انتخاب نوع ورودی با جامپر JP3
| |
خروجی آنالوگ |
AO1 | ترمینال خروجی آنالوگ | خروجی آنالوگ ولتاژ یا جریان ولتاژ 0 تا 10V جریان 4 تا 20mA ترمینال مشترک GND انتخاب نوع ورودی با جامپر JP2 |
خروجی آنالوگ | AO2 | ترمینال خروجی آنالوگ | خروجی آنالوگ ولتاژ 0 تا 10V |
ورودی حرکت | FWD حرکت راستگرد REV حرکت چپگرد | انتخاب نوع فرمان با P4.08 | |
ورودی چند منظوره | X2 | رنج ولتاژ ورودی 9 تا 30V فرکانس ورودی 200HZ | |
| X3 | |||
| X4 | |||
| X5 | |||
| X6 | |||
| منبع تغذیه | 24V | ترمینال منفی COM | |
| 10V | ماکزیمم جریان خروجی:50mA ترمینال منفی: GND | ||
| GND | ترمینال GND و COM ایزوله از هم می باشند | ||
| COM | |||
جهت دریافت اطلاعات کامل درباره ترمینال های اینورتر نئو تک فاز NE300 کاتالوگ فنی را از لینک زیر دریافت نمایید.
دانلود دفترچه راهنما فنی اینورتر نئو تک فاز NE300
مشخصات ترمینال اینورتر سه فاز نئو سری NE900
ورودیهای آنالوگ اینورتر NE900 امکان دریافت سیگنالهای ولتاژ (0–10V) و جریان (4–20mA) را دارند
که برای کنترل سرعت موتور یا تنظیم پارامترهای فرآیند استفاده میشوند.
-------------------------------
خروجیهای آنالوگ میتوانند وضعیت سرعت، جریان یا ولتاژ موتور را به صورت سیگنال استاندارد به PLC
یا نمایشگرهای خارجی ارسال کنند.
-----------------------------
بله، ورودیها و خروجیهای دیجیتال (DI و DO) اینورتر قابل برنامهریزیاند و برای فرمانهایی مانند
راستگرد، چپگرد، استارت/استاپ یا آلارم استفاده میشوند.
----------------------------
پورت RS-485 با پشتیبانی از پروتکل Modbus-RTU ارتباط اینورتر با PLC و سیستمهای مانیتورینگ را
امکانپذیر میکند.
-----------------------------
بله، یک منبع تغذیه داخلی 24 ولت DC با جریان حداکثر 50mA دارد که میتواند برای سنسورها یا تجهیزات
جانبی استفاده شود.
---------------------------
COM برای ورودی/خروجی دیجیتال و GND برای سیگنالهای آنالوگ است. جداسازی این دو باعث کاهش نویز
و افزایش ایمنی در محیطهای صنعتی میشود.
-------------------------------
ترمینال قدرت:
ترمینال مقاومت:
به منظور استفاده از ترمز دینامیکی از نوع پیشنهاد شده در دفترچه راهنمای فنی اینورتر نئو استفاده نمایید.
ترمینال کنترل:
یونیت و مقاومت ترمز
مقاومت ترمز دینامیکی یا رزیستور ترمز در سیستم های حرکتی که در آنها موتور بوسیله یک درایو کنترل می شود مورد استفاده قرار می گیرد و به کنترل موتور از طریق فرایندی بنام ترمز دینامیکی کمک می کند.کارکرد مقاومت ترمز دینامیکی یا مقاومت ترمز آلومینیومی در موتور های AC و DC متفاوت می باشد. به هنگامی که موتور شتاب می گیرد انرژی الکتریکی به انرژی مکانیکی تبدیل می شود و در زمان شتاب منفی انرژی جنبشی از طریق موتور به انرژی الکتریکی تبدیل می شود و باید از بین برود .برای اینکه ترمز به اندازه کافی سریع باشد این انرژی باید به یک مقاومت وارد شود و به شکل گرما دفع گردد. این عمل موجب ایجاد ترمز در سیستم می شود و از نظر ایمنی از سیستم برق درایو موتور محافظت می کند.
روش اصلی در ترمز با تزریق ولتاژ DC به این صورت است که یک ولتاژ DC را به سیم پیچ استاتور موتور تزریق می کنند تا یک میدان مغناطیسی ثابت در فاصله هوایی موتور ایجاد شود. این کار را می توان با وصل کردن دو تا از فازهای الکتروموتور به ولتاژ DC وصل کرد و مقدار جریان آن باید حداکثر به اندازه جریان بی باری موتور یا جریان تحریک (فرایند تولید یک میدان مغناطیسی با استفاده از یک جریان الکتریکی را تحریک می گویند) باشد.
علت استفاده از ترمز DC (مقاومت ترمزی) به این دلیل است که در بعضی از جاها به توقف کامل نیاز داریم و اگر به حرکت الکتروموتور توجه کرده باشید پس از قطع برق، الکتروموتور بلافاصله نمی ایستد علی الخصوص زمانیکه بار سنگینی به الکتروموتور وصل است در این مورد از ترمز DC درایو استفاده می کنیم.

این تجهیز در هنگام کار گرمای زیادی تولید میکند و همچنین عموماً فاقد فن برای خنک کاری می باشد، لذا مهمترین مسئله در نصب مقاومت ترمز اینورتر، نصب به صورتی ست که گرمای تولیدی مقاومت به سهولت تخلیه بشود. بنابراین:
مقاومت ترمز اینورتر نئو رو می توان به صورت افقی یا عمودی نصب کنید. توجه داشته باشید که کابل های مربوطه در معرض گرمای تولیدی آن نباشند. بعنوان مثال در حالت نصب عمودی، محل اتصال کابل های مقاومت ترمز حتما به سمت پایین باشد.
همچنین اگر چند مقاومت در بالای یکدیگر نصب می شوند توجه شود گرمای تولیدی یک مقاومت ترمز، دیگری را متاثر نکند. همچنین درصورت نصب مقاومت ترمز اینورتر بر روی یک هیت سینک، توان قابل تحمل آن می تواند تا بیش از 150٪ افزایش یابد.
مقاومت ترمز اینورتر در مدار چاپر اینورتر قرار می گیرد. چه مدار چاپر داخلی باشد چه یونیت ترمز خارجی استفاده شود، نحوه قرار گیری در مدار بدین ترتیب است که مقاومت ترمز بصورت سری با آی جی بی تی ترمز (Braking IGBT) قرار میگیردکه با خازنهای اینورتر یا باس دی سی (DC Bus) به صورت موازی قرار می گیرند و مسیر تخلیه ولتاژ اضافی خازنها روی مقاومت بوجود می آید.
در برخی از اینورترها مدار فوق داخل اینورتر قرار دارد یا اصطلاحا چاپر داخلی دارند. در این درایو ها باید با خرید مقاومت ترمز اینورتر، آن را از خارج به ترمینالهای اینورتر متصل کرد. (البته باید تنظیمات لازم هم روی پارامترهای اینورتر صورت بگیرد)
اغلب اینورترهای کیلووات بالا چاپر ترمز داخلی ندارند و باید به صورت جداگانه تهیه شود. بعد از تهیه چاپر ترمز، با خرید مقاومت ترمز اینورتر، آن را طبق نقشه مربوط در دفترچه راهنما چاپر ترمز اینورتر نصب گردد.

انتخاب مقاومت ترمز درایو باید بر مبنای مقدار انرژی برگشتی محاسبه شود و محاسبه مقدار انرژی برگشتی باید بر اساس مشخصات مکانیکی بار در حال حرکت مانند مقدار اینرسی، سرعت حرکت اولیه، سرعت ثانویه، ضرایب اصطکاک و … صورت گیرد.
در اینجا به نحوه محاسبه مقاومت ترمز اینورتر می پردازیم. برای این منظور پارامترهای مختلفی مورد نیاز هستند. از جمله:
جهت انتخاب درست مقاومت ترمز اینورتر ابتدا باید اهم و وات مصرفی لازم را اطلاع داشت. محاسبه دقیق بیشتر بر اساس طول سیم نیکلی که بر دور هسته سرامیکی آن می چرخد بستگی دارد.
مقاومت اینورتر NEO تک فازNE300


در این صفحه به بررسی کامل و دقیق پارامترهای اینورتر نئو یکی از پرکاربردترین سری های اینورتر نئو سری NE200 می پردازیم.
این مدل اینورتر برای کنترل دقیق سرعت موتورهای الکتریکی طراحی شده است. آشنایی با این پارامترها برای تنظیم درست عملکرد
اینورتر نئو مهم و ضروری است.
در این بخش می توانید فهرست کامل پارامترهای اینورتر نئو NEO مدل NE200 را مشاهده کنید. این اطلاعات شامل توضیح عملکرد هر پارامتر,
مقادیر پیش فرض و نکات فنی مربوط به تنظیمات اینورتر نئو NE200 است.در جدول زیر اطلاعات فنی مربوط به پارامترهای قابل تنطیم اینورتر ارائه شده است.
این پارامترها شامل تنظیمات فرکانس, شتاب, توقف, حفاظت موتور, مدهای کنترلی و بسیاری موارد دیگر می باشند.
اگر در حال نصب , راه اندازی یا عیب یابی اینورتر NE200 نئو هستید این صفحه مرجع کاربردی و دقیقی برای شما خواهد بود.
این پارامتر معمولاً برای انتخاب حالت کنترل یا منبع فرمان اصلی استفاده میشود.
---------------------------
با تغییر مقدار یک پارامتر مشخص (مثلاً P9-09) میتوان دستگاه را به تنظیمات پیشفرض کارخانه بازگرداند.
---------------------------
گروه P0 مربوط به تنظیمات پایه مثل منبع فرمان، منبع فرکانس، نوع استارت و توقف، و پارامترهای اصلی
کاربری است.
------------------------------
بله، تغییر نادرست پارامترها میتواند باعث خطا یا آسیب به موتور شود. توصیه میشود تنظیمات توسط
تکنسین متخصص انجام شود.
------------------------------
از طریق دفترچه راهنمای اینورتر NE200 یا همین جدول پارامترهای ارائه شده در سایت میتوانید اطلاعات
کامل را مشاهده کنید.
------------------------------------

در این بخش لیست کامل پارامترهای اینورتر NEO مدل NE300 ارائه شده است. این پارامترها شامل تنظیمات مد کنترل V/Fو بردار بدون سنسور ,
فرکانس پایه و بیشینه , زمان های شتاب و کاهش سرعت, نحوه عملکرد ورودی / خروجی های دیجیتال , تنظیمات ارتباطی RS-485 و سایر امکانات
پیشرفته اینورتر می باشد.
این راهنما برای تکنسین های نصب , تعمیر و نگهداری و کاربران صنعتی طراحی شده است تا بتوانند اینورتر NE300 را به بهترین شکل تنظیم و استفاده کنند.


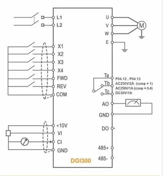
کارکرد و مشخصات ترمینال های اینورتر نئو NE200

اینورتر نئو NE200 دارای پورتهای ارتباطی RS-485+ و RS-485- است که برای اتصال به شبکههای صنعتی مانند
Modbus-RTU یا ارتباط با PLC و HMI بسیار کاربردی هستند.
-----------------------------
خروجی رله شامل دو تماس است:
TA–TB: معمولاً باز (Normally Open)
TA–TC: معمولاً بسته (Normally Closed)
قابلیت برنامهریزی این حالتها با پارامترهای P4-12 و P4-13 فراهم میشود، که به شما انعطافپذیری
برای تنظیم عملکرد بر اساس شرایط خاص را میدهد.
-------------------------------
FWD: برای فرمان حرکت راستگرد
REV: برای فرمان حرکت چپگرد
نوع فرمان قابل انتخاب از طریق پارامتر P4.08 است.
--------------------------------
ترمینالهای X1 و X2 ورودیهای چندمنظوره با رنج ولتاژ 9 تا 30 ولت هستند. با استفاده از پارامترهای P4.00 و P4.01 میتوان
عملکرد هر کدام را تنظیم کرد (برای مثال، فعالسازی استارت، توقف یا تغییر سرعت).
------------------------------
10V+ و 24V+: دو گزینه تغذیه داخلی با جریانی تا 50mA
GND و COM: ترمینالهای منفی مشترک برای مدارات ورودی
این خروجیها قابل استفاده برای تجهیزاتی مانند سنسورها یا مدارهای کنترل خارجی هستند.
ترمینالهای GND و COM ایزوله از هم هستند، که امنیت و انعطافپذیری در طراحی مدار را افزایش میدهد.
-----------------------------
با تنظیم مناسب پارامترها (مثل حالتهای دیجیتال برنامهپذیر)، امکان ادغام سریع با شبکههای
اتوماسیون صنعتی فراهم است. همچنین میتوانید به ماژولهای ارتباطی برای پروتکلهایی مانند Profibus
یا CANopen فکر کنید (در صورتی که از نسخههای پیشرفته یا توسعه یافته استفاده کنید).
------------------------------
بله، با استفاده از پارامترهای قابل تنظیم و قابل برنامهریزی (مانند P4.08, P4.12, P4.13)، میتوانید عملکرد
رله و ورودیها را متناسب با نیاز تجهیزات خود تنظیم کنید.
--------------------------------
نوع | ترمینال | توضیح | کارکرد |
پورت ارتباطی | RS485+ | پورت RS485 | ترمینال RS-485+ |
| RS485- | ترمینال RS-485- | ||
خروجی رله | TA TB TC |
ظرفیت کنتاکت (AC250 V/2A (COSΦ=1 (AC250 V/1A (COSΦ=0.4 DC30 V/ 1A | TA-TB: Normally open TA-TC:NC قابل برنامه نویسی با P4-12 و P4-13 |
ورودی حرکت | FWD | حرکت راستگرد | انتخاب نوع فرمان با P4.08
|
| REV | حرکت چپگرد | ||
ورودی چند منظوره | X1 | ترمینال ورودی چند منظوره 1 |
رنج ولتاژ ورودی 9 تا 30V تنظیم با پارامترهای P4.00 برای ورودی X1 تا P4.01 متناظر با ورودی X2
|
| X2 | ترمینال ورودی چند منظوره 2 | ||
منبع تغذیه | 24V | منبع تغذیه 24V+ | ترمینال منفی: COM
|
| 10V | منبع تغذیه 10V+ | ماکزیمم جریان خروجی: 50mA ترمینال منفی : GND | |
| GND | ترمینال مشترک ورودی آنالوگ و منبع تغذیه 10V+ | ترمینال GND و COM ایزوله از هم می باشند | |
| COM | ترمینال مشترک ترمینال های ورودی و خروجی |
جهت دریافت کاتالوگ اینورتر نئو تک فاز NE200 از طریق لینک زیر اقدام نمایید.